Email kami
Berita

Pembinaan dan Penyelenggaraan Mini Mini

Pembinaan dan Penyelenggaraan Mini Mini


Inovasi Pembinaan Penggali Mini dan Penyelenggaraan Pintar: Badan Kecil Membawa Projek Besar


1 、 Analisis pembinaan penggali mini: teknologi empat dimensi membentuk semula 'ahli silap mata'

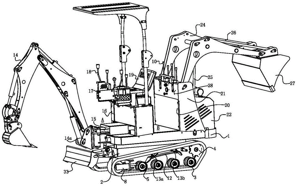
Casis dan Sistem Berjalan:


Reka Bentuk Tailless: Model -model seperti SANY SY18U mengamalkan struktur "sifar ekor", dengan radius beralih ekor hanya 0.86 meter, yang membolehkan putaran bebas 360 ° dalam terowong sempit tanpa berlanggar dengan dinding. Pada masa yang sama, penggali mini 0.8ton kami juga boleh mencapai radius bertukar 1.1m, yang membolehkan operasi percuma dan fleksibel di ruang sempit.


Bingkai trek laras: tolok trek boleh diselaraskan secara bebas (seperti SY16C yang menyokong pengembangan dan penguncupan 980-1350mm), menjadikannya mudah untuk menyeberang lorong sempit 1 meter. Tekanan landasan trek getah serendah 25kpa, melindungi tanah berturap.


Galas pelincir diri: Chassis Yanmar menggunakan galas plastik siri Igliden g bukan galas bola tradisional, yang anti fouling, anti karat, dan penyelenggaraan bebas, meningkatkan kehidupan perkhidmatan sebanyak tiga kali.




Sistem kuasa dan hidraulik:


Revolusi Kuasa Dual Mode: Penggali kecil mengamalkan Kubota KX019, yang menyokong suis diesel/elektrik satu klik, pek bateri 20kWh menyediakan julat 8 jam, dan bunyi operasi dalaman serendah 66 decibel.


Kawalan hidraulik pintar: Teknologi sensitif beban (seperti Shengang SK35SR-6) mencapai ketepatan pengedaran aliran ± 1.8%, kelajuan tindak balas tindakan komposit sebanyak 0.7 saat, dan pengurangan penggunaan tenaga sebanyak 22%.




Peningkatan peralatan kerja:


Wear Struktur Tahan: Sendi yang diartikulasikan dari ledakan penggali padat telah menjalani rawatan haba karburisasi (kekerasan HRC55+), dan baldi dikimpal dengan plat tahan hardox500 (kekerasan HB500), memanjangkan hayat perkhidmatannya sebanyak 30%.


Paten lengan bergerak sampingan: Kubota U-15-3s mencapai sisihan kiri 595mm/sisihan kanan 350mm, dan penggalian yang dipasang di dinding tidak memerlukan menggerakkan badan.


Peranti Rotary, operasi sepanjang 360 °, fleksibel untuk menyesuaikan diri dengan pelbagai persekitaran kerja.


Peningkatan Interaksi Komputer Manusia


Roll Over Cab Resistant: Disahkan oleh ROPS/FOPS (tahan terhadap 16 tan tekanan statik), dilengkapi dengan kerusi terapung, skrin sentuh LCD, dan pemantauan pandangan sekeliling AI, mengurangkan bintik -bintik buta sebanyak 40%.


2 、 Penyelenggaraan dan penyelenggaraan harian:

Peraturan keemasan penyelenggaraan harian


Pengurusan Minyak Hidraulik: Gunakan minyak hidraulik anti-wear No. 68 pada musim panas dan kelikatan rendah No. 32 pada musim sejuk. Secara kerap periksa kebersihan NAS (≤ level 8) untuk mengelakkan pam dan memakai injap.


Kitaran pengisian mentega: Suntikan gris setiap 10 hari untuk galas berputar, dan suntikan gris tekanan tinggi setiap 4-8 jam untuk titik engsel peranti kerja untuk mengelakkan aci pin terjebak.




Teknik Lanjutan Hayat Komponen Utama:


Sistem trek: Laraskan ketegangan untuk mengelakkan terlalu longgar (melompat gigi) atau terlalu ketat (memakai memakai); Secara kerap membersihkan kerikil untuk mengelakkan kegagalan pengedap roda sokongan.


Penyelenggaraan "Pakai Segitiga Besi":

Pemeriksaan kasut trek untuk retak/500h

Memandu gigi pemancuan tanah rata dan diganti dengan segera

Kebocoran minyak meterai roda lengai perlu dibaiki

Menurut statistik CAT Stowers, 80% kegagalan casis disebabkan oleh ketiga -tiga jenis komponen ini.


Garis panduan untuk mengendalikan keadaan kerja yang melampau:


Operasi ketinggian yang tinggi: Enjin turbocharged penggali mini mempunyai pampasan kuasa sebanyak 15%, dan sistem hidraulik dilengkapi dengan injap pampasan tekanan untuk mencegah kehilangan aliran.

Operasi Wading Air: Dalam penyelamatan banjir Itali, HX35AZ moden mencapai kedalaman wading sebanyak 0.8 meter melalui modul litar yang dimeteraikan.


Piawaian Penyimpanan Jangka Panjang:


Park di bilik kering, menyokong trek untuk mengurangkan tekanan asas;

Isi tangki bahan api untuk mengelakkan pemeluwapan, menarik balik semua silinder hidraulik untuk mengelakkan penuaan meterai;

Mulakan sekali setiap 3 bulan untuk mengelakkan papan litar daripada lembap.


3 、 Frontier Teknologi: Elektrifikasi dan Penstrukturan Semula Pintar Ekologi Perindustrian

Revolusi Kuasa:


Bateri Modular: Hitachi ZX55U-6EB menyokong pemacu dua kuasa komersial dan bateri, dengan pengecasan cepat 2 jam untuk memenuhi 10 jam operasi dalam 6 jam.


Ujian Tenaga Hidrogen: HD Hyundai telah membangunkan enjin bahan api hidrogen (HX12) untuk mencapai pembinaan sifar karbon.


Penyelenggaraan ramalan:


Diagnosis Jauh IoT: SANY SY35U dilengkapi dengan sistem HI MATE, yang menganalisis suhu minyak dan data getaran dalam masa nyata, dengan kadar ketepatan amaran kesalahan sebanyak 92%.


AR Bantuan Penyelenggaraan: Kaise Micro Excavator menyediakan latihan operasi VR untuk penggali kecil, meniru 30 senario kesalahan dan meningkatkan kecekapan penyelenggaraan sebanyak 40%.


4 、 Saksi Praktikal: Dari Pemulihan Rumah Kuno hingga Menangani Perlombongan

Pemulihan kediaman seorang ulama Ming dan Qing Dinasti di Taizhou: Kubota U-15-3s penggali kecil menyelesaikan penggalian parit paip bawah tanah melalui gerbang 0.85 meter, dan fungsi pergerakan sisi boom melindungi dinding purba dengan kadar utuh 95%.


Operasi bawah tanah di lombong tembaga Chile: penggali padat dengan teksi bertetulang yang diubahsuai yang dikendalikan secara berterusan selama 300 jam tanpa sebarang kerosakan, mengakibatkan pengurangan kos pemuatan 23%.


Pembinaan Perbandaran Malam Tokyo: Versi Elektrik Murni Sany SY19E Mini Excavator beroperasi dengan senyap di 66 decibels, menyelesaikan masalah "tetingkap masa pembinaan" bandar.


Kesimpulan: Badan kecil membawa masa depan yang besar

Dari model ultra-tipis 0.8-ton kepada pahlawan berat 4-ton, penggali kecil sedang menjalani evolusi tiga kali ganda pembinaan ketepatan, sumber tenaga yang pelbagai, dan penyelenggaraan pintar, membentuk semula paradigma pembinaan global. Dengan jualan tahunan melebihi 3100 unit di pasaran India dan anggaran kadar penembusan sebanyak 40% untuk motor elektrik menjelang 2025, revolusi teknologi ini "menggunakan kecil untuk mendapatkan besar" ditakdirkan untuk mendedahkan peluang emas dalam pasaran trilion dolar.


Pengalaman penyelenggaraan industri:

Untuk penggali padat, reka bentuk ketepatan adalah tulang belakang, manakala penyelenggaraan pintar adalah nyawa, menjimatkan kos penyelenggaraan oleh 1 yuan dan mengurangkan perbelanjaan pembaikan sebanyak 10 yuan.



Berita Berkaitan
Tinggalkan saya mesej
Mudah alih
Alamat
Changjiang West Road, Daerah Huangdao, Qingdao City, Provinsi Shandong, China
X
Kami menggunakan kuki untuk menawarkan anda pengalaman menyemak imbas yang lebih baik, menganalisis trafik tapak dan memperibadikan kandungan. Dengan menggunakan tapak ini, anda bersetuju dengan penggunaan kuki kami. Dasar Privasi
Tolak Terima